往前数几年,有种新型储能装置,就是超级电容,它的发展速度是比较快的哦,在新能源汽车制动能量回收系统里有着广泛的应用呢。新能源汽车步入制动或者减速状态时,凭借电机把汽车的动能转化成电能,然后存储到超级电容里哦,在汽车再次起步或者加速时,超级电容以及动力电池会同时给电机供电呢。
电容的认知
一般被称作电容器的电容,属于电子电力领域里不可或缺的电子元件,它主要被用于电源滤波、信号滤波、信号耦合、谐振、隔直流等众多电路之中。其最常见的结构是两块平行金属板,就像下图展示的那样,这两块金属板,通常被叫做极板,它们之间并不导通,而极板之间所使用的绝缘材料,可以是空气、油等绝缘物 。

同一时刻,电容同样是用来表明电容器贮存电荷能力的物理量,通常记作C,国际单位是法拉(F)。当一个电容器存入1库伦的电荷量之际,两极板间的电势差为1伏,那么这个电容大小是1法拉,也就是:C=Q/U 。
但电容大小并非由Q(带电量)来决定,也不是由U(电压)所决定,电容大小跟电容器极板的面积S有关,跟极板间距d有关,还跟极板间的绝缘介质有关。一般来讲,极板面积越大的时候,极板间距越小此外极板间介质绝缘性越好,那么电容就越大。常见的平行板电容器,电容的计算公式是C = εS/d。(ε是极板间介质的介电常数,S是极板面积,d是极板间的距离)。
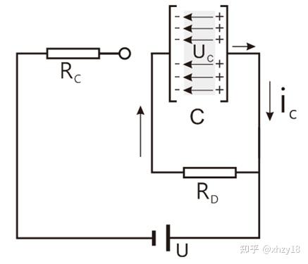
电容的充放电过程
电容与直流电源相接,这是充电过程初态表现,电路中有电流流动,于此期间两块极板分别获得数量相等、正负相反的电荷量,电容处于正在充电时段,其两端的电压Uc逐渐增大,一旦电容两端电压Uc与电源电压U相等时,充电完成,此刻电路中的电流停止流动,之后电路可视为开路 。
放电之时,电容同电源脱离连接,转而与电阻相连接,电容借助电阻 Rd 来开展放电,两块板子区间的电压是会渐渐下行直至变为零的,Uc 等于 0,呈现情况如下所示 ; 。
由上图能够知道,RC跟RD的电阻数值,分别对于电容的充电以及放电速度产生影响,其原理在于电阻对充放电电流的大小起到了控制作用。其中,电阻值R与电容值C相乘积,被称作时间常数τ,这个常数用于描绘电容的充电以及放电速度。电容值或者电阻值越小,时间常数也就越小,电容的充电以及放电速度便越快,反之道理相同。如下图示出的是电容充放电的曲线图。
超级电容的结构原理
有一种新型储能装置,它被称作超级电容器,处于传统电容器与充电电池两者之间,它借助极化电解质进行储能,可以准许大电流快速地完成充放电。超级电容器具备这样的结构,其结构就如同下面的图示,它是由多孔电极材料、作为集流体的部分、多孔性电池隔膜以及电解液组合而成,且多孔电极材料有着高比表面积。
超级电容器接通电源之后,在电场力发挥作用的情况下,吸引电解液里的阴离子朝着正极聚集,与此同时,正极电解液当中的阳离子朝着负极聚集,它们各自于正负极板之上形成间隔极为小的离子层。放电之时,正负离子离开固体电极的表面,返回电解液的本体。
超级电容与一般电容的区别
一种储存电荷的“容器”被称作电容器,它要在外加电压作用下才可储存电荷。在相同大小电压作用下,不同电容器储存的电荷量或许不一样。超级电容器电容大,储存电荷量能力强,其单位都是法拉(F)。再者,超级电容器充电速度快,充电10秒到10分钟能达到其额定容量的95%以上。循环使用寿命长,深度充放电循环使用次数可达数万次,不存在“记忆效应”。具备超强的大电流放电能力,能量转换效率呈现出较高的状态,在过程之中损失是比较小的,大电流能量循环效率意味着大于或者等于90% 。
超级电容在新能源汽车上的应用
超级电容具备充电速度快、耐受充电、能量转换效率高的特点,与此同时,它存在着带有高自放电的独特性质,它是完全有能力作为新能源汽车的储能方面的装置的。在这之中,产量最为丰富丰饶的领域是新能源客车,宇通、金龙、金旅、海格和中车这些名字颇为知名的企业,都纷纷成功地使超级电容在新能源客车的应用上得以实现。
于新能源客车范畴之中,超级电容器所具最为广泛的应用之处乃是城市混合动力客车制动能量回收系统,此制动能量回收系统系由超级电容器模块构成,其能够进行吸收并存储车辆在制动之际所产生的全部动能,在客车启动或者加速之时会将这些能量予以释放出来因而客车能够节省油耗,减少排放 。
超级电容器存在着这样一些缺点呢,是什么样的缺点呀?其一,是安全性方面的情况哟,存在过快的放电速度以及过低内阻的状况呢,要是设计得不好的话呀,其本身就潜藏着由“能量突然大爆发”所隐匿的风险呐;其二,是存在较低工作电压的情况哦,这对它在驱动汽车方面的应用起到了制约作用呢。随着技术不断取得进步呀,这些问题都是能够被解决掉的哟。








还没有评论,来说两句吧...